搜索
首页
关于我们
机构介绍
领导分工
检测部门
机械建材检验室
食品检验室
电子电器检验室
摩托车检验室
轻化检验室
长度室
电学室
温度化学室
力学一室
力学二室
国家摩检中心
省级检验站
广东省轨道交通车辆产业计量测试中心
广东省质量监督轨道交通车体材料检验站(江门)
广东省质量监督水暖卫浴产品检验站(江门)
广东省质量监督燃香类产品检验站(江门)
广东省质量监督不锈钢制品检验站
广东省质量监督制浆造纸产品检验站
广东省质量监督电声产品检验站
广东省质量监督换气扇检验站
广东省质量监督洗衣机检验站
技术能力
CNAS认可项目
授权检定校准项目
资质证书
公正性声明
新闻动态
工作动态
通知公告
行业动态
知识普及
信息公开
预决算公开
党建工作
党日活动
学习教育
群团建设
政策法规
国家法律
政策解读
行政法规
地方条例
WTO/TBT规则
客户服务
资料下载
办事指南
计量业务
质检业务
收费标准
联系我们
联系方式
意见反馈
首页
关于我们
机构介绍
领导分工
检测部门
机械建材检验室
食品检验室
电子电器检验室
摩托车检验室
轻化检验室
长度室
电学室
温度化学室
力学一室
力学二室
国家摩检中心
省级检验站
广东省轨道交通车辆产业计量测试中心
广东省质量监督轨道交通车体材料检验站(江门)
广东省质量监督水暖卫浴产品检验站(江门)
广东省质量监督燃香类产品检验站(江门)
广东省质量监督不锈钢制品检验站
广东省质量监督制浆造纸产品检验站
广东省质量监督电声产品检验站
广东省质量监督换气扇检验站
广东省质量监督洗衣机检验站
技术能力
CNAS认可项目
授权检定校准项目
资质证书
公正性声明
新闻动态
工作动态
通知公告
行业动态
知识普及
信息公开
预决算公开
党建工作
党日活动
学习教育
群团建设
政策法规
国家法律
政策解读
行政法规
地方条例
WTO/TBT规则
客户服务
资料下载
办事指南
计量业务
质检业务
收费标准
联系我们
联系方式
意见反馈
搜索
计量部
通知公告
当前位置:
主页
>
新闻动态
>
通知公告
>
计量部
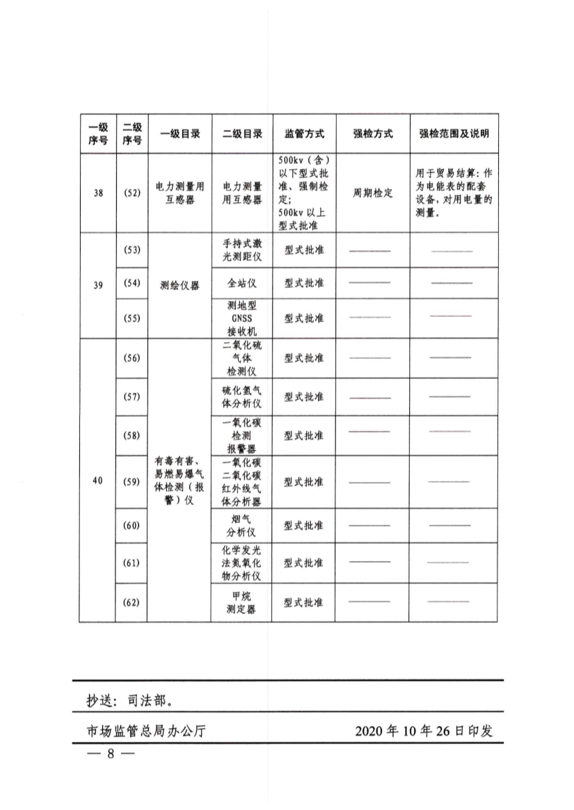
市场监管总局关于调整实施强制管理的计量器具目录的公告
发布时间:2020-10-27 14:49
浏览次数:
7968
次
上一页
关于正式启用广东省计量强制检定管理平台的通知
下一页
江门市高层次人才拟认定名单公示公告(市直2020年第19批)